|
|
CCSD-50S-SP |
CCSD-50S-FG |
CSD-90S-SP |
CSD-90S-FG |
| A |
B |
A |
B |
| 注射部分 |
螺杆直径 |
mm |
30 |
32 |
35 |
37 |
| 螺杆长径比 |
L/D |
21 |
19.7 |
20.8 |
19.7 |
| 理论注射容积 |
cm3 |
92 |
103 |
150 |
168 |
| 注射重量 |
g |
84 |
94 |
137 |
153 |
| zo
|
2.9 |
3.3 |
4.8 |
5.4 |
| 注射压力 |
MPa> |
200 |
175 |
193 |
173 |
| 注射速率 |
g/s
|
53 |
60 |
88 |
100 |
| 螺杆转速 |
rpm |
0~220 |
0~220 |
| 塑化能力 |
g/s |
12.1 |
13 |
12.1 |
13 |
| 锁模部分 |
锁模形式
|
|
液压锁模 |
液压锁模 |
| 锁模力 |
KN |
500 |
900 |
| 模板行程 |
mm |
420 |
480 |
| 模板最大开距 |
mm |
570 |
660 |
| 最小模厚 |
mm |
150 |
180 |
| 拉杆内间距 |
mm |
330x330 |
380×380 |
| 液压顶出力 |
KN |
25 |
30 |
| 顶出行程 |
mm |
80 |
100 |
| 顶针数 |
n |
1 |
5 |
| 其它
|
加热功率 |
KW |
6 |
7.1 |
| A |
9.2 |
11 |
| 油泵马达功率 |
KW |
11 |
15 |
| A |
21.3 |
29.5 |
| 液压系统压力 |
Mpa |
16 |
16 |
| 料斗容积 |
L |
300 |
350 |
| 油箱容积 |
cm3 |
20 |
25 |
| 机器重量 |
T |
3.0 |
3.8 |
| 机器外形尺寸 |
mxmxm |
3.5x1.1x1.5 |
4×1.2×1.7 |
| 机器尺寸 |
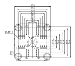
模板正面尺寸 |
mm |
 |
 |
| 模板侧面尺寸 |
mm |
 |
 |
| 机器外形尺寸 |
mm |
 |
 |
|
|
CSD-130SP |
CSD-130FG |
CSD-170S-SP |
CSD-170S-FG |
| A |
B |
A |
B |
| 注射部分 |
螺杆直径 |
mm |
37 |
40 |
40 |
46 |
| 螺杆长径比 |
L/D |
22.2 |
20 |
20.3 |
20 |
| 理论注射容积 |
cm3 |
206 |
241 |
283 |
374 |
| 注射重量 |
g |
188 |
219 |
258 |
340 |
| zo
|
6.6 |
7.8 |
9.1 |
12 |
| 注射压力 |
MPa> |
196 |
168 |
247 |
188 |
| 注射速率 |
g/s
|
117 |
130 |
124 |
157 |
| 螺杆转速 |
rpm |
0~200 |
0~200 |
| 塑化能力 |
g/s |
12.9 |
15 |
13.6 |
18.6 |
| 锁模部分 |
锁模形式
|
|
液压锁模 |
液压锁模 |
| 锁模力 |
KN |
1300 |
1700 |
| 模板行程 |
mm |
510 |
660 |
| 模板最大开距 |
mm |
710 |
880 |
| 最小模厚 |
mm |
200 |
220 |
| 拉杆内间距 |
mm |
420×420 |
480×480 |
| 液压顶出力 |
KN |
40 |
50 |
| 顶出行程 |
mm |
130 |
180 |
| 顶针数 |
n |
5 |
5 |
| 其它
|
加热功率 |
KW |
7.7 |
9.7 |
| A |
13.3 |
20 |
| 油泵马达功率 |
KW |
18.5 |
18.5 |
| A |
36.4 |
36.4 |
| 液压系统压力 |
Mpa |
16 |
16 |
| 料斗容积 |
L |
400 |
500 |
| 油箱容积 |
cm3 |
25 |
25 |
| 机器重量 |
t |
4.5 |
6 |
| 机器外形尺寸 |
mxmxm |
4.6 X 1.4 X 1.72 |
5.2×1.5×1.8 |
| 机器尺寸 |
模板正面尺寸 |
mm |
 |
 |
| 模板侧面尺寸 |
mm |
 |
 |
| 机器外形尺寸 |
mm |
 |
 |
|
|
CSD-210S-SP |
CSD-210S-FG |
CSD-250S-SP |
CSD-250S-FG |
| A |
B |
A |
B |
| 注射部分 |
螺杆直径 |
mm |
50 |
55 |
56 |
62 |
| 螺杆长径比 |
L/D |
22 |
20 |
22 |
20 |
| 理论注射容积 |
cm3 |
471 |
570 |
662 |
812 |
| 注射重量 |
g |
429 |
518 |
602 |
738 |
| zo
|
16.4 |
20.1 |
21.2 |
26 |
| 注射压力 |
MPa> |
200 |
167 |
196 |
160 |
| 注射速率 |
g/s
|
210 |
254 |
281 |
335 |
| 螺杆转速 |
rpm |
0~200 |
0~200 |
| 塑化能力 |
g/s |
24.1 |
30.8 |
31.3 |
37.4 |
| 锁模部分 |
锁模形式
|
|
液压锁模 |
液压锁模 |
| 锁模力 |
KN |
2100 |
2500 |
| 模板行程 |
mm |
720 |
770 |
| 模板最大开距 |
mm |
980 |
1050 |
| 最小模厚 |
mm |
260 |
280 |
| 拉杆内间距 |
mm |
540×540 |
600×600 |
| 液压顶出力 |
KN |
60 |
70 |
| 顶出行程 |
mm |
200 |
200 |
| 顶针数 |
n |
5 |
9 |
| 其它
|
加热功率 |
KW |
15 |
21.7 |
| A |
32.8 |
38.2 |
| 油泵马达功率 |
KW |
22 |
30 |
| A |
43 |
60 |
| 液压系统压力 |
Mpa |
16 |
16 |
| 料斗容积 |
L |
600 |
700 |
| 油箱容积 |
cm3 |
50 |
50 |
| 机器重量 |
t |
7.2 |
9.2 |
| 机器外形尺寸 |
mxmxm |
5.8×1.6×1.87 |
5.8×1.5×2.0 |
| 机器尺寸 |
模板正面尺寸 |
mm |
 |
 |
| 模板侧面尺寸 |
mm |
 |
 |
| 机器外形尺寸 |
mm |
 |
 |